|
| |||||||||||||||||||||||
Painoit:
| ||||||||||||||||||||||||||||||||||||||||||||||||||||||||||||||||||||||||||||||||||||||||||||||||||||||||||||||||||||||||||||||||||||||||||||||||||||||||||||||||||||||||||||||||||||||||||||||||||||||||||||||||||||||||||||||||||||||||||||||||||||||||||||||||||||||||||||||||||||||||||||||||||||||||||||||||||||||||||||||||||||||||||||||||||||||||||||||||||||||||||||||||||||||||||||||||||||||||||||||||||||||||||||||||||||||||||||||||||||||||||||||||||||||||||||||||||||||||||||||||||||||||||||||||||||||||||||||||||||||||
Transmitters / Lähettimet
ROTRONIC humidity and
temperature transmitters are world renowned for their excellent precision, Transmitters are measuring
instruments for fixed installation with a specific signal output;
|
|||||||||||||||||||||||||||||||||
BMS/HVAC systems.Typical applications
include building management systems, offi ce buildings, storage areas, clean rooms,
ROTRONIC industrial
transmitters are robust high quality products designed specifi cally for
The new generation of
HygroClip industrial transmitters is based on the latest digital flash technology
Typical applications include process monitoring and optimisation, test cells, drying processes up to 200 °C, climatic chambers, and high value product environments such as the pharmaceutical and semiconductor industries.
Section contents HygroFlex Industrial Transmitter 0 100 % rh, -50 200 °C Other items: M Series/Roline L-Series Transmitter
TRANSMITTERS Transmitter Applications
TRANSMITTERS 1. Measurement Accuracy: Digital processing of
sensor signals provides much more scope and flexibility for the compensation of error
components such as linearity and temperature coefficients. 2. Maintenance and Calibration: Digital signal communication allows components to be hot swapped without loss of measurement precision calibration and sensor data are retained permanently within each digital HygroClip probe. HygroClip probes can be
hot swapped in seconds, signifi cantly reducing the maintenance and downtime
costs associated with the removal of instruments to laboratories or workshops for diffi
cult, time-consuming calibration and repair. 3. Precision and Stability: Digital circuits are inherently more stable than analogue, and are less affected by temperature changes. Calibration adjustment is
made purely by software, meaning no unstable, hard-to-reach potentiometers. 4. Application Flexibility: Measurement change? Need
dew-point instead of %rh? Or the mixing ratio ? Different installation?
Multiple point
measurement? The
HW3 software package offers a comprehensive networking
solution for up to 32 instruments. Wiring hardly possible?
5. Measurement of Dew Point and other Parameters: Digital technology makes
it possible to obtain parameters such as dew point or the mixing ratio with economical,
versatile and easy-to-maintain instruments and probes. HygroFlex The Digital Advantage HygroFlex is a new
generation of industrial humidity and temperature transmitters based on the very latest
digital technology. TRANSMITTERS HygroFlex Core features High quality electronics High quality, high stability electronics ensure consistent long term performance Temperature compensated All ROTRONIC transmitters are dynamically temperature compensated to maintain best possible humidity measurement accuracy over very wide temperature ranges. User calibration All ROTRONIC transmitters can be adjusted by the user to provide optimum precision throughout the products life without expensive return to base maintenance. High temperature capability ROTRONIC transmitters have the widest direct humidity measurement range in the world working from 50 200 °C. Interchangeable probes. Across the entire ROTRONIC transmitter range it is possible to specify interchangeable probes; simplifying field maintenance and maximising application flexibility.
Digital technology Digital signal processing not only provides the best possible precision, but also allows fully digital adjustment for all industrial HygroClip probes. High quality sensor The Hygromer® IN-1 humidity sensor is arguably the best in the world. Precise factory adjustment and superb long term stability provide consistent measurement results with minimum maintenance. |
Analogue outputs
HygroFlex 1 accepts one
HygroClip probe and provides two linear analogue outputs for relative humidity and
temperature.
Standard factory confi guration is 4
20 mA, but this can be easily
changed to 0
20 mA, 0
1 V, 0
5 V or 10 V.
Scaling of the output range can
be modifi ed from the standard 0
100 % rh and 0
100 °C using the internal
service connection, connecting cable AC1623 and a PC running the HW3 software.
Key features:
%rh and temperature
Interchangeable probes
Two linear analogue outputs
Jumper confi guration of analogue outputs
One probe input, digital or analogue (0 2.5 V, 10 Bit A/D; 12 Bit interpolated) Optional display/keypad
An external test socket is
standard.
A HygroPalm 3 handheld instrument can be connected to provide a live display of
the transmitters current measurement values.
When connected, the HygroPalm 3 can also be
used as a digital adjustment tool for any probe connected to the HygroFlex 1.
The optional display & keypad gives a local display of measurement values and provides access to the 1 or 4 point probe adjustment directly from the HygroFlex 1 transmitter.
For probe options, click
HygroFlex 1 Ordering Information for Standard Versions
| H T S 1 1 X | HygroFlex 1: | 4 20 mA=0 100 %rh; | 0 100 °C; | 12 35 VDC/24 VAC power | |
H T S 1 2 X |
HygroFlex 1: |
4 20 mA=0 100 %rh; |
0 100 °C; |
90...250 VAC power |
|
H T S 1 1 D |
HygroFlex 1: |
4 20 mA=0 100 %rh; |
0 100 °C; |
12 35 VDC/24 VAC power |
; Display & Keypad |
| H T S 1 2 D | HygroFlex 1: | 4 20 mA=0 100 %rh; | 0 100 °C; | 90...250 VAC power | ; Display & Keypad |
(see page 33 for order codes for special versions)
HygroFlex 1 Standard Connection Layout

Probe (Tuchel)
Test socket (Binder 712, 2-pin)
2x M16 Cable glands for power and signal cables
TRANSMITTERS
Digital output, two Probes and Calculation function
HygroFlex 2 measures and
transmits humidity and temperature measurements only in a digital format.
The data is
either output in an RS232 signal directly to a PC, or up to 32 transmitters can be
networked together using RS485 for network communication, with RS232 used for PC
connection.
HygroFlex 2 is also supplied as standard with the capability to accept a
second probe input and has integrated psychrometric calculation for parameters such as
dew-point or mixing ratio.
Thanks to the possibility to accept 2 probes, it is possible to
set up a network with up to 64 probes = 128 measuring values at a very reasonable price.
Probe- cables of up to 200m cover all applications.
Standard features also include full
user programmability and an external test socket.

Key features:
%rh and temperature
Display of calculated values; dew-point, mixing ratio, etc (with keypad/display option)
RS232 output (%rh and temperature) Networkable (RS485) 2nd probe input (digital or analogue 0 2.5 V e.g. pressure) Fully user programmableAn external test socket is standard. A HygroPalm handheld instrument can be connected to provide a live display of the transmitters current measurement values. When connected, the HygroPalm can also be used as a digital adjustment tool for any probe connected to the HygroFlex.
The optional display & keypad gives a local display of measurement values and provides access to the 1 or 4 point probe adjustment directly from the HygroFlex 2 transmitter.
HygroFlex 2 Ordering Information for Standard Versions
| H T S 2 1 X | HygroFlex 2: | digital output only; | 12 35 VDC/24 VAC power | ; 2 probe inputs | |
H T S 2 2 X |
HygroFlex 2: |
digital output only; |
90...250 VAC power |
; 2 probe inputs |
|
| H T S 2 1 D | HygroFlex 2: |
digital output only; |
12 35 VDC/24 VAC power |
; 2 probe inputs |
; Display & Keypad |
| H T S 2 2 D | HygroFlex 2: | digital output only; | 90...250 VAC power | ; 2 probe inputs | ; Display & Keypad |
(see page 33 for order codes for special versions)
HygroFlex 2 Standard Connection Layout

Probe 1 (Tuchel)
Power connection (M16 cable gland)
Probe 2 (Tuchel)
Serial connection RS232/485 (Binder 763/ 5-pin)
Test socket (Binder 712, 2-pin)
TRANSMITTERS
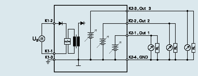
Simultaneous Analogue and Digital Outputs with Absolute Humidity Calculation
HygroFlex 3 combines all the features of the HygroFlex 1 and 2 into a highly specifi ed instrument, and represents probably the most advanced humidity and temperature transmitter on the market. Additional features include a third analogue output for greater fl exibility, a simultaneous serial output and the ability to dynamically compensate calculated humidity parameters for variations in application pressure.
The comprehensive range of outputs available makes the HygroFlex 3 particularly well suited to combined monitoring and control applications. The analogue outputs can be connected to the applications control system, whilst the digital RS232 signal interfaces with a local PC where engineers can monitor the process and set up alarms via Email or SMS text messages.
The dynamic pressure compensation feature is truly state of the art. In climatic test or research and development projects, the humidity measurements can be optimised for any condition with the inclusion of pressure measurement, and therefore compensation of pressure dependent calculated values such as enthalpy and wet-bulb temperature. All calculated parameters are based on WMO formulae.

Key features:
% rh, temperature and calculated value (dew-point, mixing ratio, etc)
Three linear analogue outputs (all measured and calculated parameters) Jumper confi guration of analogue outputs Simultaneous digital output (% rh and temperature) Networkable (RS485) 2nd probe input (digital or analogue 0 2.5 V e.g. pressure) Fully user programmable External test socket Optional display and keypadAn external test socket allows the connection of a HygroPalm 3 handheld, which will display the actual values of the transmitter. With the HygroPalm 3 it is also possible to adjust the digital ROTRONIC probes connected to transmitter.
HygroFlex 3 Ordering Information for Standard Versions
| H T S 3 1 X | HygroFlex 3: | 4 20 mA = 0 100 % rh; 0 100 °C/°C dew-point; | 12 35 VDC/24 VAC power | ; 2 probe inputs | |
H T S 3 2 X |
HygroFlex 3: |
4 20 mA = 0 100 % rh; 0 100 °C/°C dew-point; |
90...250 VAC power |
; 2 probe inputs |
|
| H T S 3 1 D | HygroFlex 3: |
4 20 mA = 0 100 % rh; 0 100 °C/°C dew-point; |
12 35 VDC/24 VAC power |
; 2 probe inputs |
; Display & Keypad |
| H T S 3 2 D | HygroFlex 3: | 4 20 mA = 0 100 % rh; 0 100 °C/°C dew-point; | 90...250 VAC power | ; 2 probe inputs | ; Display & Keypad |
(see page 33 for order codes for special versions)
HygroFlex 3 Standard Connection Layout

Probe 1 Tuchel
Power connection & analog output (M16 cable gland)
Probe 2 (Option) Binder 712, 5 pin
Serial connection RS232/485 (Binder 763/ 5-pol)
Test socket (Binder 712, 2 pin)
TRANSMITTERS
Display and Keypad
By specifying the
HygroFlex display and keypad option you gain useful functions: Local display of humidity,
temperature and calculated humidity parameters such as dew-point, mixing ratio, wet-bulb.
Through the keypad one can access the menu functions of the HygroFlex where the user can
confi gure display settings, access the probe calibration functions, obtain a system
status, select which probe to view and display serial numbers.
The keypad can be locked to
protect critical system and calibration settings.
Order code:
Digidisp-HTS
(For retrofitting non
display versions)
see also HygroFlex order code table
Metal Housing
In the worst industrial environments the additional protection of a metal instrument housing helps to extend the product life. The HygroFlex optional metal housing is extremely robust and is available for all versions, with and without the display/keypad option.
Ordering information: see HygroFlex order code table
Radio option: (433.92 MHz)
Wherever cabling is too
complicated or too expensive, the radio option of the HygroFlex is a good choice.
Distances up to 400 m in the fi eld or ~50 m inside buildings are bridged. HygroFlex
transmitters may even be retrofi tted in the factory.
Note: In some countries, radio operation is not allowed or requires a license.
Order code: see table below.
Other options
HW3 software
The HW3 software package has a comprehensive range of functions which are compatible with the HygroFlex, see chapter HW3 Software for full information.
USB Adapter
The USB Adaptor is used to connect the serial data cable to a USB port of a PC
Order Code:
12.02.1086
Order code table for HygroFlex
Here you can specify the full range of options and confi gurations for the various HygroFlex models.
| H | T | S | 1 | 1 | X | HygroFlex 1; 4 20 mA=0 100 %rh; 0 100 °C; 12 35 VDC/24 VAC power | ||||
| H | T | S | 2 | 1 | X | HygroFlex 2; digital outputs only; 12 35 VDC/24 VAC power; 2 probe inputs | ||||
| H | T | S | 3 | 1 | X | HygroFlex 3; 4 20 mA=0 100 %rh; 0 100 °C/°C dew-point; 12 35 VDC/24 VAC power; 2 probe inputs (1 optional) |
||||
| M | Metal Housing | |||||||||
| 1 | 12 35 VDC /24 VAC power | |||||||||
| 2 | 90 250 VAC power | |||||||||
| X | No display and keypad |
|||||||||
| D | Optional display and keypad | |||||||||
| / | 9 | Customized version; Parameters to be specifi ed within the given limits (see technical data) | ||||||||
| R | C | Radio option |
TRANSMITTERS
HygroFlex ProbesFully interchangeable
range of probes, simply choose the best version to suit your application.
If your needs
change, choose a different probe!
HygroClip IW / IW1
For wall mounting applications (area monitoring), lightweight construction for fast thermal response.
Measurement range: 0 100 %rh, -40 85 °C
Accuracy: ±1 %rh/±0.2 K for IW1; ±1.5 %rh/±0.3 K for IW
Probe: Delrin 25/15 mmŲ
Sensor protection: Wire mesh fi lter
Order code:
HygroClip IW1 (±1 %rh/0.2 K) with SCS certificate
HygroClip IW
Probe length: 145 mm Diameter: 15 mm
HygroClip IC
Cable mounted probe for fl
exible installation in varied applications such as high temperatures, climatic chambers,
ducts etc.
Two versions are available, 100 & 250 mm probe length. Select appropriate
cable length.
Measurement range: 0 100 %rh, -50 200 °C
Probe: PPS 15 mmŲ
Cable: 2 m / 5 m / 10 m available on request, see below
Order code:
HygroClip IC1 100 mm probe
HygroClip IC3 250 mm probe
HygroClip IC-1/X X = 2 =^ 2 m cable
X = 5 =^ 5 m cable
X = 10 =^ 10 m cable
Probe length: 100/250
mm Diameter: 15 mm
Cable: 2 m
HygroClip IM
Robust stainless steel
probe for duct, or through-wall installation.
Suitable for use in the food industry.
Select appropriate cable length.
max. 200 °C.
Two versions are available, 120 & 270 mm probe length.
Measurement range: 0 100 %rh, -50 200 °C
Probe: Stainless steel, 15 mmŲ
Cable: 2 m / 5 m / 10 m available on request
Order code:
HygroClip IM1 120 mm
probe
HygroClip IM3 270 mm probe
HygroClip IM-1/X X=2 =^ 2m cable
X=5 =^ 5 m cable
X=10 =^ 10 m cable
Probe length: 120/270
mm Diameter: 15 mm
Cable: 2 m
TRANSMITTERS
HygroFlex Probes
HygroClip IE
For pressurised applications up to a maximum of 50 bar and temperatures of 100 °C. Two versions are available with different threads 1.2" G or 1.2" NPT.
Measurement range: 0 100 %rh, -50 100 °C
Probe: Stainless steel
Cable: 2 m
Order code:
HygroClip IE-1 1.2" G pressure probe
HygroClip IE-3 1.2" NPT pressure probe
Screw-in probe
Cable: 2 m
HygroClip IC-04 / 05
4/5 mm diameter probe for measurement in tight spaces such as
climatic test applications, or monitoring conditions of materials.
Max. 100 °C
Measurement range: 0...100 %rh, -40...100 °C
Probe: Nickel-plated brass
Order code:
HygroClip IC-04 Ų 4 mm probe with 2 m cable
HygroClip IC-05 Ų 5 mm probe with 2 m cable
Diameter: 4 mm / 5 mm
Cable: 2 m
HygroClip ICx with 15/25
mm probe
HygroClip industrial probe with shaft diameter 15/25 mm to replace the old A-type duct probes of I-1000 and I-2000 series.
No installation changes need to be made.
Specifications are the same as for the standard HygroClip IC probes.
The order codes are the same as for the standard probes, but with the extension HygroClip IC-x/15/25. The robust mechanical construction allows probe lengths up to 700 mm.
Example: HygroClip IC-3/15/25 (Probe length = 250mm)
Diameter: 15 mm Diameter: 25 mm Cable: 2 m
TRANSMITTERS
AccessoriesHygroClip Industrial Probe
Extension Cable
Should you wish to extend the distance between the HygroFlex transmitter and probe, the extension cable AC1616 can be specified with lengths up to 200 m thanks to an integral signal booster.
Order code:
AC1616xxx Where required length xxx = 010 to 200 m, in steps of 10 m
AC1619 Pair of connectors with electronics for customersown cable assembly.
Probe options/filters/mounting hardware
The robust slotted cap also functions as a fi lter holder and provides mechanical protection when the filter element is removed.
|
|
Steel sinter filter SP-S15 |
| Wire mesh filter SP-M15 | ||
| Teflon filter SP-T15 |
Order code, filter, filter type, properties
Function: Protects
sensors against pollution and high air velocity (up to 40m/s).
A fi lter is required for air velocity above 3m/s.
| Order code | Type of filter | Properties | Max. air velocity |
| SP-S15 | Steel sinter filter element pore size ca. 5 µ |
High level of filtration. Marginal effect on response times. Not suitable for high humidity applications. |
40m/s |
| SP-M15 | Wire mesh filter element Mesh size ca. 20-25 µ |
Minimal measuring delay. Reduced filtration effi ciency for small particles. Suitable for high humidity applications. |
20m/s |
| SP-T15 | Teflon filter element pore size ca. 10 µ |
Good filtration effect. Extends response time in low air velocity. Water repellent but water vapour permeable. |
20m/s |
TRANSMITTERS
TRANSMITTERS
Specifications and Ordering Information
Options, filters / mounting hardware
|
|
Steel sinter filter SP-S15 |
| Wire mesh filter SP-M15 | ||
| Teflon filter SP-T15 |
TRANSMITTERS
HygroFlex Maintenance and
Calibration
HygroPalm Remote Control of the HygroFlex
![]() |
![]() |
The HygroPalm handheld instrument can be connected to the HygroFlex, and depending on the version of the HygroPalm used, various tools and functions are available by remote control (see table below). This feature is especially useful for HygroFlex transmitters which are not specifi ed to include the display and keypad option. |
Function |
HygroPalm 1 |
HygroPalm 2 |
HygroPalm 3 |
Display the readings from any probe connected to the HygroFlex |
|
|
|
Display the HygroFlex status (confi guration, serial number, etc.) |
N/A |
|
|
1-point adjustment of any HygroClip digital probe connected to the transmitter, using the probe connected to the HygroPalm as a reference |
N/A |
|
|
Access the functions (except for calculate and display) of the transmitter, primarily the adjust M.PT function for multi point probe calibration |
N/A |
N/A |
|
Connecting cable required: |
AC1621 |
AC1620 |
AC1620 |
HygroFlex Configuration by direct PC connection
It is possible to confi gure the HygroFlex by direct connection to the PC using the HW3 software and a connecting cable.
Order Code:
HygroData HTS for HygroFlex 2 and HygroFlex 3
HygroData HTS1X for HygroFlex 1
TRANSMITTERS
Mounting plate of the Transmitter Enclosure
The HygroFlex is comprised
of 5 parts:
1 mounting bracket
2 electronics housing
3 main circuit board
4 connector plate
5 front cover with or without optional display and keypad

To attach the transmitter to a mounting surface:
1 Attach
the mounting bracket to the mounting surface using 4 screws as shown below.
2 Slide the electronics housing down on the wall plate to the mechanical
stop.
TRANSMITTERS
Dimensional diagrams & electrical connections
![]() |
|
Dimensions of housing |
Dimensions of mounting plate |
12 to 35 VDC or 12 to 24 VAC supply voltage and voltage output signals
![]() |
|
TB1 (1) 12
35 VDC (-) or 12
24 VAC
Neutral |
TB2 (1) Relative humidity (+) |
90 264 VAC with optional power module and current output signals
![]() |
|
TB1 (1) Neutral 90
264 VAC |
TB2 (1) Relative humidity (+) |
TRANSMITTERS
| Specifications | HygroFlex 1 | HygroFlex 2 | HygroFlex 3 |
| Inputs | |||
Probe connections (combined % rh / °C) |
1 |
2 |
2 |
Signal input |
digital or analogue: 0 2,5 V, 10 Bit A/D, 15 V DC, max. 10 mA supply |
||
Third party probe input (1 analogue) |
No |
Yes |
Yes |
Outputs |
|||
Analogue outputs |
2 |
No |
3 |
Type of output analogue (jumper selectable) |
0 1 V, 0 5 V, 0 10 V, 0 20 mA or 4 20 mA |
No |
0 1 V, 0 5 V, 0 10 V, 0 20 mA or 4 20 mA |
RS232 output |
No |
Yes |
Yes |
Networkable, RS485 (up to 32 units) |
No |
Yes |
Yes |
Adjustment of probes |
|||
1 point %rh, °C/°F |
Yes, with display/keypad option |
|
|
4 points %rh, 2 points °C/°F |
Yes, with display/keypad option |
|
|
4 points %rh, 2 points °C/°F, via PC |
No |
Yes |
Yes |
Test connector for communication with HygroPalm handheld |
Yes |
Yes |
Yes |
| Calculation & Unit Display | |||
| Calculated humidity values | No | full range of calculated values including Dew-point, display and output wet-bulb, enthalpy, mixing ratio, water vapour pressure, sturation vapour pressure. User defi ned scale. | |
| Pressure compensation for calculated values | No | Manual or automatic with optional pressure probe | |
Technical Data (included probes) |
|||
Measuring range |
Probe dependent, 0 100 %rh, -50 200 °C, 0 2000 hPa |
||
Accuracy at 23 °C |
±1,5 %rh, ±0,3 K |
||
Reproducibility |
Better than 0.5 %rh/ 0.1 °C |
||
Sensors |
Hygromer IN-1 (rel. humidity), Pt100 1/3 DIN (Temperature) |
||
Electronic operating range |
0 100 % rh (not condensed), -40 60 °C, with display -30 60 °C |
||
Display/Keypad (Option) |
Liquid Crystal 3 line numeric |
||
Display resolution (Option) |
0.1 %rF, 0.1 °C, 0.01 calculated value |
||
Housing, dimensions |
IP65, ABS, 207 x 150 x 58,3 mm, Metal housing optional |
||
Weight |
310 g |
||
Supply voltage |
Standard 12 35 V DC (140 mA), 12 24 V AC Optional 90 250 V AC, 3,5 VA |
||
Electrical connections |
M16 cable
gland (7 mm cable) |
||
Analogue output (Factory setting 4 20 mA) |
Current
ouput (0/4
20 mA), max. load 500 Ł, others are jumper selectable |
||
CE-Conformity |
Complies to norms: EN50081-2, EN50082-2 |
||
Order code table for HygroFlex
Here you can specify the full range of options and confi gurations for the various HygroFlex models.
| H | T | S | 1 | 1 | X | HygroFlex 1; 4 20 mA=0 100 %rh; 0 100 °C; 12 35 VDC/24 VAC power | ||||
| H | T | S | 2 | 1 | X | HygroFlex 2; digital outputs only; 12 35 VDC/24 VAC power; 2 probe inputs | ||||
| H | T | S | 3 | 1 | X | HygroFlex 3; 4 20 mA=0 100 %rh; 0 100 °C/°C dew-point; 12 35 VDC/24 VAC power; 2 probe inputs (1 optional) |
||||
| M | Metal Housing | |||||||||
| 1 | 12 35 VDC /24 VAC power | |||||||||
| 2 | 90 250 VAC power | |||||||||
| X | No display and keypad |
|||||||||
| D | Optional display and keypad | |||||||||
| / | 9 | Customized version; Parameters to be specifi ed within the given limits (see technical data) | ||||||||
| R | C | Radio option |
|
|